

软密封碟阀适用与温度≤120℃或≤150℃,公称压力≤1.6MPa的食品、医药、化工、石油、电力、轻纺、造纸等给水排水、气体管道上作调节流量和截流介质的场合。其主要特点为:
1、 小型轻便,容易拆装及维修,并可在任意位置安装。
2、 结构简单、紧凑,90°回转开启迅速。
3、 操作扭矩小,省力轻巧。
4、 流量特性趋于直线,调节性能好。
5、 启闭试验次数多达万次,寿命长。
6、 密封件可更换,密封可靠达到双向密封,气体试验泄漏为零。
7、 密封材料耐老化、耐腐蚀、可适用多种介质。
| 公称通径DN(mm) | 50-600 | ||||
| 公称压力PN(MPa) | 0.6 | 1.0 | |||
| 公称压力PS(MPa) | 强度试验 | 0.9 | 1.5 | ||
| 密封试验 | 0.66 | 1.1 | |||
| 材料代号 材料 | C | P | R | ||
| 主 要 零 件 | 阀体 | WCB | ZG1Cr18Ni9Ti | ZG1Cr18Ni12Mo2Ti | |
| 碟板 | 2Cr13 | 1Cr18Ni9Ti | 1Cr18Ni12MoTi | ||
| 阀杆 | 2Cr13 | 1Cr18Ni9Ti | 1Cr18Ni12MoTi | ||
| 密封圈 | 丁腈 乙丙 丁氟塑料 | ||||
| 填料 | 丁腈 柔性石墨 V型橡胶垫 | ||||
| 适用 工况 | 适用介质 | 水,蒸汽、油品 | 硝酸类 | 醋酸类 | |
| 适用温度 | -28℃~300℃ | ||||
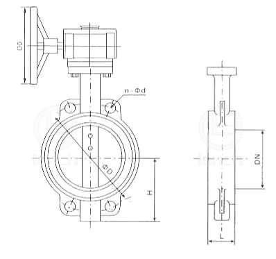
| 公称通径DN(mm) | 尺寸(mm) | 执行器型号 (仅供参考) | |||||||
| L | H | D(0.6) | D (1.0) | D(1.6) | Z-ΦD(0.6) | Z-ΦD(1.0) | Z-ΦD(1.6) | ||
| 50 | 43 | 63 | 110 | 125 | 125 | 4-14 | 4-18 | 4-18 | GTD-63 |
| 65 | 46 | 70 | 130 | 145 | 145 | 4-14 | 4-18 | 4-18 | GTD-63 |
| 80 | 46 | 83 | 150 | 160 | 160 | 4-18 | 8-18 | 8-18 | GTD-83 |
| 100 | 52 | 105 | 170 | 180 | 180 | 4-18 | 8-18 | 8-18 | GTD-83 |
| 125 | 56 | 115 | 200 | 210 | 210 | 8-18 | 8-18 | 8-18 | GTD-110 |
| 150 | 56 | 137 | 225 | 240 | 240 | 8-18 | 8-22 | 8-22 | GTD-110 |
| 200 | 60 | 164 | 280 | 295 | 295 | 8-18 | 8-22 | 12-22 | GTD-127 |
| 250 | 68 | 206 | 335 | 350 | 350 | 12-18 | 12-22 | 12-26 | GTD-160 |
| 300 | 78 | 230 | 395 | 400 | 410 | 12-22 | 12-22 | 12-26 | GTD-190 |
| 350 | 78 | 248 | 445 | 460 | 470 | 12-22 | 16-22 | 16-26 | AW13 |
| 400 | 102 | 289 | 495 | 515 | 525 | 16-22 | 16-26 | 16-30 | AW17 |
| 450 | 114 | 320 | 550 | 565 | 585 | 16-22 | 20-26 | 20-30 | AW17 |
| 500 | 127 | 343 | 600 | 620 | 650 | 20-22 | 20-26 | 20-33 | AW20 |
| 600 | 154 | 413 | 705 | 725 | 770 | 20-26 | 20-26 | 20-36 | AW20 |
1.本网页显示的D7A1X-10蜗轮对夹式碟阀图片、参数表等样本信息,为上海连渠所有,请勿转载,转载必究。
2.上海连渠是一家特种行业用泵专业配套的给排水阀门生产厂家/制造商。生产的D7A1X-10蜗轮对夹式碟阀,质量可靠,价格合理,如果还需要了解其他给排水阀门,请来电咨询,我们也可根据客户要求专门定制。
3.由于编辑水平有限,以上信息仅作参考之用,错误和不妥之处在所难免,真诚希望您批评指正。