CYZ-A型自吸式离心油泵(简称:CYZ-A自吸油泵),系属新型自吸式结构,油泵类产品。是根据国内外有关技术资料经消化、吸收、改进后研制而成的新泵类产品,上海连渠泵业生产的CYZ-A型自吸式离心油泵是根据国内外有关技术资料经消化、吸收、改进后研制而成的新泵类产品,国内空白,广泛适用于油库、加油站、油轮、油船、码头、油罐库、机场,分别输送汽油、煤油、柴油、航煤等,如改用耐腐蚀机械密封和不锈钢材质还可以适用于化工、制药、酿造、电镀、印染、造纸、电力矿山等,输送介质温度-20℃~80℃,粘度≤100厘珀,含固量可达30%以下。

特点
1、该泵属自吸式离心泵,它具有结构简单、操作方便、运行平稳、维护容易、效率高、寿命长,具有较强的自吸能力等优点。管路中不需底阀,工作前只需保证泵体内储有定量引油即可。用于油轮或输水船舶上时,可兼作扫舱泵,扫舱效果良好。
2、该泵是选用优质材料精作而成,密封采用硬质合金机械密封,经久耐用,吐出管路不需要安装安全阀,吸入管路不需要安装底阀因此简化了管路系统,又改善了劳动条件。

型号意义

该泵均采用轴向回液的泵体结构。泵体由吸入室、储液室、蜗卷室、回液孔、气液分离室等组成,泵正常起动后,叶轮将吸入室所存的液体及吸入管路中的空气一起吸入,并在叶轮内得以完全混合,在离心力的作用下,液体夹带着气体向蜗卷室外缘流动,在叶轮的外缘上形成有一定厚度的白色泡沫带及高速旋转液环。气液混合体通过扩散管进入气液分离室。此时,由于流速突然降低,较轻的气体从混合气液中被分离出来,气体通过泵体吐出口继续上升排出。脱气后的液体回到储液室,并由回流孔再次进入叶轮,与叶轮内部从吸入管路中吸入的气体再次混合,在高速旋转的叶轮作用下,又流向叶轮外缘……。随着这个过程周而复始地进行下去,吸入管路中的空气不断减少,直到吸尽气体,完成自吸过程,泵便投入正常作业。因为该泵具有这种独特的排气能力,所以此泵能输送含有气体的液体,无需安装底阀,使用在油轮上时具有良好的扫舱功能。 在一些泵的轴承体底部还设有冷却室。当轴承发热引起轴承体温升超过70℃时,可在冷却室处通过任意一只冷却液管接头,注入冷却液循环冷却。泵内部防止液体由高压区向低压区泄漏的密封机构是前后密封环,前密封环装在泵体上,后密封环装在轴承体上,当泵经长期运转密封环磨损到一定程度,并影响到泵的效率和自吸性能时,应给予更换。
性能参数表
| 性能参数 泵型号 |
流量 | 扬程 m |
吸程 m |
转速 r/min |
自吸性能min/5m | 功率KW | 泵口径mm | 机组重量kg | |||
| m3/h | L/s | 轴功率 | 电机功率 | 吸入 | 排出 | ||||||
| 25CYZ-A-20 | 3.2 | 0.9 | 20 | 6.5 | 2900 | 1.9 | 0.46 | 0.75 | 25 | 25 | 72 |
| 25 CYZ-A-32 | 3.2 | 0.9 | 32 | 6.5 | 2900 | 1.8 | 0.8 | 1.1 | 25 | 25 | 80 |
| 40 CYZ-A-20 | 6.3 | 1.8 | 20 | 6.5 | 2900 | 1.9 | 0.87 | 1.1 | 40 | 32 | 85 |
| 40 CYZ-A-40 | 10 | 2.8 | 40 | 6.5 | 2900 | 1.5 | 2.7 | 4 | 40 | 40 | 138 |
| 50 CYZ-A-12 | 15 | 4.2 | 12 | 6.5 | 2900 | 2.4 | 1.1 | 1.5 | 50 | 50 | 90 |
| 50 CYZ-A-20 | 18 | 5 | 20 | 6.5 | 2900 | 1.9 | 1.8 | 2.2 | 50 | 50 | 98 |
| 50 CYZ-A-30 | 20 | 5.6 | 30 | 6.5 | 2900 | 1.5 | 2.6 | 4 | 50 | 50 | 140 |
| 50 CYZ-A-35 | 14 | 3.9 | 35 | 6.5 | 2900 | 1.5 | 2.7 | 4 | 50 | 50 | 145 |
| 50 CYZ-A-40 | 10 | 2.8 | 40 | 6.5 | 2900 | 1.5 | 2.7 | 4 | 50 | 50 | 145 |
| 50 CYZ-A-50 | 12. | 3.5 | 50 | 6.5 | 2900 | 1.4 | 4.3 | 5.5 | 50 | 50 | 160 |
| 50 CYZ-A-60 | 515 | 4.2 | 60 | 6.5 | 2900 | 1.3 | 6.2 | 7.5 | 50 | 50 | 190 |
| 50 CYZ-A-75 | 20 | 5.6 | 75 | 6.5 | 2900 | 1.3 | 9.8 | 11 | 50 | 50 | 240 |
| 65 CYZ-A-15 | 30 | 8.3 | 15 | 6.5 | 2900 | 2 | 1.9 | 3 | 65 | 65 | 100 |
| 65 CYZ-A-32 | 25 | 6.9 | 32 | 6 | 2900 | 1.5 | 4.4 | 5.5 | 65 | 65 | 165 |
| 80 CYZ-A-13 | 35 | 9.7 | 13 | 6 | 2900 | 3.4 | 1.9 | 3 | 80 | 80 | 107 |
| 80 CYZ-A-17 | 43 | 12 | 17 | 6 | 2900 | 1.8 | 3.1 | 4 | 80 | 80 | 156 |
| 80 CYZ-A-22 | 40 | 11.1 | 22 | 6 | 2900 | 1.9 | 4.4 | 5.5 | 80 | 80 | 169 |
| 80 CYZ-A-25 | 50 | 13.9 | 25 | 6 | 2900 | 1.5 | 5.2 | 7.5 | 80 | 80 | 177 |
| 80 CYZ-A-32 | 50 | 13.9 | 32 | 6 | 2900 | 1.5 | 6.8 | 7.5 | 80 | 80 | 180 |
| 80 CYZ-A-55 | 60 | 16.7 | 55 | 6 | 2900 | 1.5 | 15 | 18.5 | 80 | 80 | 310 |
| 80 CYZ-A-70 | 60 | 16.7 | 70 | 6 | 2900 | 1.2 | 20.1 | 22 | 80 | 80 | 333 |
| 100 CYZ-A-20 | 100 | 27.8 | 20 | 6 | 2900 | 1.8 | 7.8 | 11 | 100 | 100 | 258 |
| 100 CYZ-A-40 | 100 | 27.8 | 40 | 6 | 2900 | 1.8 | 16.3 | 22 | 100 | 100 | 455 |
| 100 CYZ-A-40A | 100 | 27.8 | 40 | 6 | 1450 | 1.5 | 18.5 | 22 | 100 | 100 | 520 |
| 100 CYZ-A-65 | 100 | 27.8 | 65 | 6 | 2900 | 1.8 | 27.7 | 30 | 100 | 100 | 620 |
| 100 CYZ-A-75 | 70 | 19.4 | 75 | 6 | 2900 | 1.8 | 24.2 | 30 | 100 | 100 | 639 |
| 150 CYZ-A-55 | 170 | 47.2 | 55 | 5 | 2900 | 1.8 | 39.2 | 45 | 150 | 150 | 830 |
| 150 CYZ-A-65 | 170 | 47.2 | 65 | 5 | 2900 | 1.3 | 46.3 | 55 | 150 | 150 | 957 |
| 150 CYZ-A-65A | 170 | 47.2 | 65 | 5 | 1450 | 1.2 | 49.8 | 55 | 150 | 150 | 1138 |
| 150 CYZ-A-80 | 160 | 44.4 | 80 | 5 | 2900 | 1.2 | 53.6 | 55 | 150 | 150 | 986 |
| 200 CYZ-A-32 | 400 | 111.1 | 32 | 5 | 1450 | 2 | 52.1 | 55 | 200 | 200 | 1205 |
| 200 CYZ-A-63 | 280 | 77.8 | 63 | 5 | 1450 | 1.5 | 73.9 | 90 | 200 | 200 | 1338 |
| 200 CYZ-A-65 | 350 | 97.2 | 65 | 5 | 1450 | 1.5 | 97.2 | 110 | 200 | 200 | 1553 |
| 250 CYZ-A-32 | 550 | 152.8 | 32 | 5 | 1450 | 2 | 72.3 | 75 | 250 | 250 | 1307 |
| 250 CYZ-A-50 | 400 | 111.1 | 50 | 5 | 1450 | 2 | 80 | 90 | 250 | 250 | 1486 |
| 250 CYZ-A-55 | 450 | 125 | 55 | 5 | 1450 | 2 | 102.1 | 110 | 250 | 250 | 1681 |
| 250 CYZ-A-75 | 400 | 111.1 | 75 | 5 | 1450 | 1.5 | 125.6 | 132 | 250 | 250 | 1829 |
| 300 CYZ-A-32 | 600 | 166.7 | 32 | 5 | 1450 | 2 | 79.2 | 90 | 300 | 300 | 1608 |
| 300 CYZ-A-50 | 500 | 138.9 | 50 | 5 | 1450 | 2 | 107.6 | 110 | 300 | 300 | 1728 |
| 300 CYZ-A-55 | 550 | 152.8 | 55 | 5 | 1450 | 2 | 117.6 | 132 | 300 | 300 | 1995 |
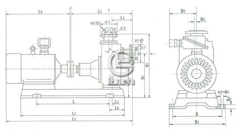
外形及安装尺寸表


CYZ-A自吸油泵使用
(一).起动前的准备及检查工作:
1.根据泵的工作运转状况,分别采用优质钙基黄油和10号机油进行润滑,如果采用黄油润滑的泵应定期向轴承箱内加注黄油,采用机油润滑的泵,如果油位不足,则加足
之。
2.检查CYZ-A泵壳内的储液是否高于叶轮的上边缘,如若不足,可以从泵壳上的加液口处直接向泵体
内注入储液,不应在储液不足的情况下启动运转,泵则不能正常工作,且易损坏机械密封。
3.检查CYZ-A泵的转动部件是否有卡住磕碰现象。
4.检查CYZ-A油泵体底脚及各联结处螺母有无松动现象。
5.检查CYZ-A油泵轴与电动机主轴的同轴度或平行度。
6.检查CYZ-A油泵进口管路是否漏气,如有漏气,必须设法排除。
7.打开吸入管路的阀门,稍开(不要全开)出口控制阀。
(二).停泵
1.首先必须关闭吐出管路上的闸阀。
2.使泵停止转动。
3.在寒冷季节,应将泵体内的储液和轴承体冷却室内的水放空,以防冻裂机件。
订购注意事项:
1.本网页显示的CYZ-A型自吸式离心油泵图片、图纸、安装尺寸、重量、参数表等样本信息,为“LQ牌”油泵厂家上海连渠泵业所有,请勿转载,转载必究。
2.上海连渠泵业有限公司是一家专业的离心泵生产厂家/制造商。生产的CYZ-A型自吸式离心油泵,质量可靠,价格合理,如果还需要了解其他(离心泵),请来电咨询,我们也可根据客户要求专门定制。
3.由于编辑水平有限,以上信息仅作参考之用,错误和不妥之处在所难免,真诚希望您批评指正。
离心泵有立式、卧式、单级、多级、单吸、双吸、自吸式等多种形式。其主要的工作原理有:离心是物体惯性的表现。比如雨伞上的水滴,当雨伞缓慢转动时,水滴会 跟随雨伞转动,这是因为雨伞与水滴的摩擦力做为给水滴的向心力使然。但是如果雨伞转动加快,这个摩擦力不足以使水滴在做圆周运动,那么水滴将脱离雨伞向外缘运动产生离心力,离心泵 就是根据这样的原理设计的产品。 离心泵引就是根据离心力原理设计的,高速旋转的叶轮叶片带动水转动,将水甩出,从而达到输送的的。离心泵有好多种,上海连渠泵业主要生产的离心泵 有SLB型便拆式管道离心泵、XWJ型无堵塞纸浆泵、GDL型多级管道离心泵、卧式管道离心泵、ISGD型低转速管道离心泵、单级单吸清水(热水)离心泵、不锈钢立式多级离心泵等系列离心泵产 品。