FSB型氟塑料合金离心泵(简称:FSB氟塑料合金泵),选用当今世界较优秀的耐腐蚀材料:氟塑料合金。我单位选用该材料生产的FSB-L、FSB-D系列FSB氟塑料合金泵,具有特强的耐腐蚀性能,且机械强度高,不老化,无毒素分解,可输送任意浓度的酸、碱液、氧化剂及其它腐蚀性介质。广泛适用于化工、石油、制药、农药、冶炼、染料、造纸、电镀、食品等行业。的化工原料的管道输送中。 FSB氟塑料合金泵采用特种泵工艺加工制造。适合于在-85°C~200°C条件下,长期输送任意浓度的任意介质酸、氧化剂及腐蚀性介质。广泛应用于化工、石油、制药、农药、燃料、油漆、冶炼、造纸、电镀、电力、食品等行业。过流部分全部采用氟合金(聚四氟乙烯和聚全氟乙丙烯等多种氟材料经过合理配方)模压、加工而成,具有较强的耐腐蚀性、机械强度高、不老化、无毒素分解等优点。FSB氟塑料合金泵再生产、制造及验收规范,严格执行了有关标准规定,并台台检测,备案待查。其机械密封由英国格兰公司与国内联合制造,性能十分可靠,维修方便,节约能源,事杜绝跑、冒、滴、漏建设文明工厂的理想防腐输送设备。

结构说明

FSB型氟塑料合金泵由泵体、叶轮、后盖、密封件、支架、泵轴、轴承、联轴器、吊紧螺栓、螺母、底板组成。
1、 泵体:左右两边连接部分内埋钢质法兰圈各一只模压塑料合金制成。
2、 后盖右边一侧内埋一只不锈钢(1Cr18Ni9Ti)模压塑料合金而成。
3、 叶轮:采用接轴连接方法,金属轴为优质钢精加工后外包塑料合金模压而成,使叶轮与金属接轴牢固地结为一体,保证轴根与叶轮后部承受随旋转时的扭矩力,这样介质浸湿部分为塑料合金。
4、 机械密封:采用WB2型、ST型不用冷却水可调式端面密封技术,由碳化硅、高纯度氧化铝陶瓷、填充四氟、石墨等材料制成。
性能参数表
| 规格型号 | 流量 m3/h | 扬程 m | 口径 | 配用电机KW | 转速 r/min | 吸上高度m | 效率 % | |
| 吸入mm | 吐出mm | |||||||
| 25FSB-10 | 1.5 | 10 | 25 | 20 | 1.5 | 2900 | 6 | 29 |
| 25FSB-18 | 3.6 | 18 | 25 | 20 | 2.2 | 2900 | 6 | 27 |
| 40FSB-15 | 5 | 15 | 40 | 32 | 3 | 2900 | 6 | 40 |
| 40FSB-20 | 10 | 20 | 40 | 32 | 4 | 2900 | 6 | 42 |
| 40FSB-30 | 10 | 30 | 40 | 32 | 4 | 2900 | 6 | 38 |
| 40FSB-40 | 10 | 40 | 40 | 32 | 5.5 | 2900 | 5.5 | 35 |
| 40FSB-50 | 10 | 50 | 40 | 32 | 7.5 | 2900 | 5 | 33 |
| 50FSB-20 | 15 | 20 | 50 | 40 | 4 | 2900 | 6 | 51 |
| 50FSB-25 | 15 | 25 | 50 | 40 | 4 | 2900 | 6 | 49 |
| 50FSB-30 | 15 | 30 | 50 | 40 | 4 | 2900 | 6 | 44.5 |
| 50FSB-40 | 15 | 40 | 50 | 32 | 5.5-7.5 | 2900 | 5.5 | 35 |
| 50FSB-50 | 15 | 50 | 50 | 32 | 7.5-11 | 2900 | 5.5 | 33 |
| 50FSB-63 | 15 | 63 | 50 | 32 | 11 | 2900 | 5.5 | 30 |
| 65FSB-32 | 29 | 32 | 65 | 50 | 5.5 | 2900 | 6 | 57 |
| 65FSB-40 | 29 | 40 | 65 | 40 | 11 | 2900 | 5.5 | 53 |
| 65FSB-50 | 29 | 50 | 65 | 40 | 15 | 2900 | 5.5 | 46 |
| 65FSB-64 | 29 | 64 | 65 | 50 | 15-18.5 | 2900 | 5.5 | 44 |
| 80FSB-20 | 50 | 20 | 80 | 65 | 5.5 | 2900 | 6 | 69 |
| 80FSB-30 | 50 | 30 | 80 | 65 | 7.5 | 2900 | 5.5 | 64 |
| 80FSB-34 | 50 | 34 | 80 | 65 | 11 | 2900 | 5.5 | 64 |
| 80FSB-40 | 50 | 40 | 80 | 50 | 11-15 | 2900 | 5.5 | 60 |
| 80FSB-50 | 50 | 50 | 80 | 50 | 15-18.5 | 2900 | 6 | 53 |
| 80FSB-55 | 50 | 55 | 80 | 50 | 15-18.5 | 2900 | 5.5 | 47 |
| 80FSB-80 | 50 | 80 | 80 | 50 | 30-37 | 2900 | 5.5 | 36 |
| 100FSB-32 | 100 | 32 | 100 | 80 | 18.5-22 | 2900 | 5.5 | 70 |
| 100FSB-40 | 100 | 40 | 100 | 80 | 18.5-22 | 2900 | 5.5 | 70 |
| 100FSB-50 | 100 | 50 | 100 | 65 | 22-30 | 2900 | 5.5 | 62 |
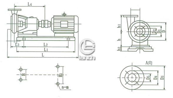
安装示意图

安装尺寸表
| 规格型号 | L | L1 | L2 | L3 | L4 | D | D1 | D2 | D3 | D4 | D5 | B | B1 | d | h | h1 | p | n-m |
| 25FSB-10 | 940 | 730 | 455 | 130 | 380 | 100 | 75 | 25 | 110 | 90 | 20 | 250 | 310 | 65 | 112 | 130 | 78 | 4-ф18 |
| 25FSB-18 | 940 | 730 | 455 | 130 | 380 | 100 | 75 | 25 | 110 | 90 | 20 | 250 | 310 | 65 | 112 | 130 | 78 | 4-ф18 |
| 40FSB-15 | 940 | 730 | 455 | 130 | 400 | 130 | 100 | 40 | 130 | 100 | 32 | 250 | 310 | 80 | 112 | 130 | 78 | 4-ф18 |
| 40FSB-20 | 940 | 730 | 455 | 130 | 400 | 130 | 100 | 40 | 130 | 100 | 32 | 250 | 310 | 80 | 112 | 130 | 78 | 4-ф18 |
| 40FSB-30 | 940 | 730 | 455 | 130 | 400 | 130 | 100 | 40 | 130 | 100 | 32 | 250 | 310 | 80 | 112 | 130 | 78 | 4-ф18 |
| 40FSB-40 | 940 | 730 | 455 | 130 | 400 | 130 | 100 | 40 | 130 | 100 | 32 | 250 | 310 | 80 | 112 | 130 | 78 | 4-ф18 |
| 50FSB-20 | 940 | 730 | 455 | 130 | 400 | 130 | 100 | 50 | 130 | 100 | 32 | 250 | 310 | 80 | 112 | 130 | 78 | 4-ф18 |
| 50FSB-25 | 940 | 730 | 455 | 130 | 400 | 130 | 100 | 50 | 130 | 100 | 40 | 250 | 310 | 80 | 112 | 130 | 78 | 4-ф18 |
| 50FSB-30 | 940 | 730 | 455 | 130 | 400 | 130 | 100 | 50 | 130 | 100 | 40 | 250 | 310 | 80 | 112 | 130 | 78 | 4-ф18 |
| 50FSB-40 | 1045 | 830 | 560 | 130 | 400 | 130 | 100 | 50 | 130 | 100 | 40 | 250 | 375 | 80 | 112 | 130 | 78 | 4-ф18 |
| 50FSB-50 | 1045 | 830 | 560 | 130 | 400 | 130 | 100 | 50 | 130 | 100 | 40 | 250 | 375 | 80 | 112 | 130 | 78 | 4-ф18 |
| 65FSB-32 | 1045 | 830 | 560 | 240 | 410 | 185 | 135 | 65 | 160 | 135 | 50 | 250 | 375 | 95 | 132 | 150 | 65 | 4-ф18 |
| 65FSB-40 | 1045 | 830 | 560 | 240 | 410 | 185 | 135 | 65 | 160 | 135 | 50 | 250 | 375 | 100 | 132 | 185 | 65 | 4-ф18 |
| 65FSB-50 | 1045 | 830 | 560 | 240 | 410 | 185 | 150 | 65 | 160 | 135 | 50 | 250 | 375 | 100 | 132 | 185 | 65 | 4-ф18 |
| 80FSB-20 | 1045 | 830 | 560 | 240 | 410 | 185 | 150 | 80 | 160 | 135 | 65 | 250 | 375 | 95 | 132 | 150 | 65 | 4-ф18 |
| 80FSB-30 | 1045 | 830 | 560 | 240 | 410 | 185 | 150 | 80 | 160 | 135 | 65 | 250 | 375 | 95 | 132 | 150 | 65 | 4-ф18 |
| 80FSB-34 | 1045 | 830 | 560 | 240 | 410 | 185 | 150 | 80 | 160 | 135 | 65 | 250 | 375 | 95 | 132 | 150 | 65 | 4-ф18 |
| 80FSB-40 | 1045 | 830 | 560 | 240 | 410 | 185 | 150 | 80 | 160 | 135 | 65 | 250 | 375 | 100 | 132 | 185 | 65 | 4-ф18 |
| 80FSB-50 | 1045 | 830 | 560 | 240 | 410 | 185 | 150 | 80 | 160 | 135 | 50 | 250 | 375 | 100 | 132 | 185 | 65 | 4-ф18 |
| 80FSB-55 | 1310 | 970 | 610 | 245 | 500 | 185 | 150 | 80 | 160 | 135 | 65 | 330 | 430 | 110 | 160 | 205 | 100 | 4-ф18 |
| 80FSB-80 | 1310 | 970 | 640 | 245 | 500 | 185 | 150 | 80 | 160 | 135 | 65 | 330 | 430 | 135 | 160 | 205 | 100 | 4-ф18 |
| 100FSB-32 | 1330 | 970 | 640 | 245 | 500 | 185 | 150 | 100 | 160 | 135 | 65 | 330 | 430 | 110 | 160 | 205 | 120 | 4-ф18 |
| 100FSB-50 | 1360 | 970 | 640 | 245 | 500 | 185 | 150 | 100 | 160 | 135 | 65 | 300 | 430 | 110 | 160 | 205 | 160 | 4-ф18 |
安装示意图

安装尺寸表
| 规格型号 | L | L1 | L2 | L3 | D | D1 | D2 | D3 | D4 | D5 | B | B1 | d | d1 | h | h1 | 地脚螺栓 |
| 25FSB-10D | 470 | 220 | 185 | 125 | 100 | 75 | 25 | 110 | 90 | 20 | 180 | 140 | 65 | 155 | 210 | 90 | 4-ф10 |
| 25FSB-18D | 470 | 220 | 185 | 125 | 100 | 75 | 25 | 110 | 90 | 20 | 180 | 140 | 65 | 155 | 210 | 90 | 4-ф10 |
| 40FSB-15D | 540 | 245 | 200 | 125 | 130 | 100 | 40 | 130 | 100 | 32 | 205 | 160 | 80 | 180 | 240 | 100 | 4-ф12 |
| 40FSB-20D | 540 | 245 | 200 | 140 | 130 | 100 | 40 | 130 | 100 | 32 | 205 | 160 | 80 | 180 | 240 | 100 | 4-ф12 |
| 40FSB-30D | 540 | 245 | 200 | 140 | 130 | 100 | 40 | 130 | 100 | 32 | 205 | 160 | 80 | 180 | 240 | 100 | 4-ф12 |
| 50FSB-20D | 540 | 245 | 200 | 140 | 130 | 100 | 50 | 130 | 100 | 40 | 205 | 160 | 80 | 180 | 240 | 100 | 4-ф12 |
| 50FSB-25D | 540 | 245 | 200 | 140 | 130 | 100 | 50 | 130 | 100 | 40 | 205 | 160 | 80 | 180 | 240 | 100 | 4-ф12 |
| 50FSB-30D | 540 | 245 | 200 | 140 | 130 | 100 | 50 | 130 | 100 | 40 | 240 | 190 | 80 | 180 | 240 | 100 | 4-ф12 |
| 65FSB-32D | 720 | 345 | 276 | 140 | 185 | 150 | 65 | 185 | 135 | 50 | 280 | 216 | 95 | 210 | 282 | 100 | 4-ф12 |
| 80FSB-20D | 720 | 345 | 276 | 140 | 185 | 150 | 80 | 185 | 135 | 65 | 280 | 216 | 95 | 210 | 282 | 132 | 4-ф12 |
| 80FSB-30D | 720 | 345 | 276 | 140 | 185 | 150 | 80 | 185 | 135 | 65 | 280 | 216 | 95 | 210 | 282 | 132 | 4-ф12 |
订购注意事项:
1.本网页显示的FSB型氟塑料合金离心泵安装尺寸、外形尺寸、图片、流量、扬程、功率、参数表等样本信息,为”LQ牌“离心泵厂家上海连渠泵业所有,请勿转载,转载必究。
2.上海连渠泵业有限公司是一家专业的离心泵生产厂家/制造商。生产的FSB型氟塑料合金离心泵,质量可靠,价格合理,如果还需要了解其他(离心泵),请来电咨询,我们也可根据客户要求专门定制。
3.由于编辑水平有限,以上信息仅作参考之用,错误和不妥之处在所难免,真诚希望您批评指正。
离心泵有立式、卧式、单级、多级、单吸、双吸、自吸式等多种形式。其主要的工作原理有:离心是物体惯性的表现。比如雨伞上的水滴,当雨伞缓慢转动时,水滴会 跟随雨伞转动,这是因为雨伞与水滴的摩擦力做为给水滴的向心力使然。但是如果雨伞转动加快,这个摩擦力不足以使水滴在做圆周运动,那么水滴将脱离雨伞向外缘运动产生离心力,离心泵 就是根据这样的原理设计的产品。 离心泵引就是根据离心力原理设计的,高速旋转的叶轮叶片带动水转动,将水甩出,从而达到输送的的。离心泵有好多种,上海连渠泵业主要生产的离心泵 有SLB型便拆式管道离心泵、XWJ型无堵塞纸浆泵、GDL型多级管道离心泵、卧式管道离心泵、ISGD型低转速管道离心泵、单级单吸清水(热水)离心泵、不锈钢立式多级离心泵等系列离心泵产 品。