SLB型便拆式管道离心泵(又称:SLB双吸空调泵)。系属立式单级双吸离心泵。是我公司根据市场需要,专门为城市供水、供暖、空调制冷等行业生产的国内新型的双吸泵。该系列产品广泛用于自来水厂、泵站、电站、空调循环用水、采暖用热水循环、工业供水系统、消防系统、船舶工业、也适合炼油工业中一般性用途。
SLB双吸空调泵采用了目前国内外较优秀的水力模型,性能稳定、效率高。产品结构紧凑、运行平稳振动小,安装维修方便。该系列泵达到国际先进水平。
采用计算机对泵的水力模型进行优化设计,SLB双吸泵具有高效率和显著的抗汽蚀性能,该系列泵与国内同类产品相比,效率要高出1~3%,抗汽蚀性能也有所提高。

SLB双吸空调泵结构优点
(1)结构紧凑、占地空间小;进出口在同一条水平线上,安装方便。采用便拆结构使泵在检修时不需拆卸进出口管路和电机。转子为一组合件,检修十分方便。这一优点对更换大功率泵的轴承和机械密封等易损件优为明显。
(2)转子部件轴向尺寸短因而刚性好,而且泵与电机架、电机架与电机、联轴器之间的联接均为止口联接,组件同心度高。同时优秀的水力模型几乎没有轴向力和径向力,因而运行平稳、噪音低、振动小。
(3)泵轴采用独立的轴承支承,保证电机长期安全地运行,泵轴承采用油脂润滑,轴承压盖设有加油油杯。
SLB双吸空调泵工作条件
(1)系统最高工作压力为2.5Mpa;即泵出口压力=泵入口压力+泵扬程≤2.5Mpa。根据泵承受的最大压力,泵体和泵盖材质采用灰口铸铁(1.6Mpa)、球墨铸铁(2.0Mpa)、铸钢(2.5
Mpa,包括不锈钢)。在订货时敬请注明泵的承压情况和材质。
(2)工作介质为温度不超过100℃的清水或物理化学性质类似清水的其他液体。
性能范围:
出口直径:DN=100~500mm
流量范围:Q=82~2020m3/h
扬程范围:H=13~125m
电机功率:N=5.5~315kw
SLB双吸空调泵型号意义

SLB双吸空调泵主要零件材质及结构图
| 零件名称 | 可供选择的材料 |
| 轴 | 45、40Cr、3Cr13、ICr18Ni、ICr18Ni9Ti |
| 泵体、泵盖 | HT200、QT400-15、ZG230-450、ZG1Cr18Ni9Ti |
| 叶轮 | HT200、400-15、ZCuSn11、ZG1Cr18Ni9 |

SLB双吸空调泵性能简索
详细技术数据请见正文(性能简索中序号与性能区及外形安装区的序号一致)
| 序号 | 泵型 | 流量 m3/h |
扬程 (m) |
电机 KW |
查阅区 | |
| 001 | 150-125-250(I) | 289 | 75 | 90 | P6 | |
| 002 | A | 265 | 63 | 75 | ||
| 003 | B | 240 | 52 | 55 | ||
| 004 | C | 223 | 44.8 | 45 | ||
| 005 | 150-125-250E | 145 | 18.8 | 11 | ||
| 006 | A | 233 | 15.8 | 11 | ||
| 007 | B | 123 | 13.5 | 7.5 | ||
| 008 | C | 116 | 11 | 5.5 | ||
| 009 | 150-125-250 | 245 | 68 | 75 | P7 | |
| 010 | A | 228 | 5805 | 55 | ||
| 011 | B | 212 | 51 | 45 | ||
| 012 | C | 195 | 43 | 37 | ||
| 013 | 150-125-250F | 123 | 17 | 11 | ||
| 014 | A | 114 | 14.5 | 7.5 | ||
| 015 | B | 106 | 12.5 | 7.5 | ||
| 016 | C | 99 | 11.0 | 5.5 | ||
| 017 | 150-125-310(I) | 268 | 123 | 200 | P8 | |
| 018 | A | 341 | 106 | 160 | ||
| 019 | B | 315 | 90 | 132 | ||
| 020 | C | 245 | 74 | 90 | ||
| 021 | 150-125-310E | 185 | 31.2 | 22 | ||
| 022 | A | 172 | 27 | 18.5 | ||
| 023 | B | 158 | 22.5 | 15 | ||
| 024 | C | 143 | 18.5 | 11 | ||
| 025 | 150-125-310 | 283 | 119 | 160 | P9 | |
| 026 | A | 263 | 103 | 132 | ||
| 027 | B | 238 | 84 | 90 | ||
| 028 | C | 215 | 69 | 75 | ||
| 029 | 150-125-310F | 141 | 29.5 | 18.5 | ||
| 030 | A | 131 | 25.5 | 15 | ||
| 031 | B | 120 | 21.2 | 11 | ||
| 032 | C | 112 | 17 | 11 | ||
| 033 | 150-125-375(I) | 185 | 52 | 45 | P10 | |
| 034 | A | 170 | 44 | 30 | ||
| 035 | B | 158 | 38 | 30 | ||
| 036 | C | 141 | 30 | 18.5 | ||
| 037 | 150-125-375 | 163 | 52 | 45 | ||
| 038 | A | 150 | 44 | 30 | ||
| 039 | B | 138 | 37.5 | 22 | ||
| 040 | C | 121 | 28.7 | 18.5 | ||
| 041 | 200-150-230(I) | |||||
| 533 | 60 | 132 | P11 | |||
| 042 | A | 497 | 52 | 110 | ||
| 043 | B | 454 | 43.5 | 75 | ||
| 044 | C | 412 | 34 | 75 | ||
| 045 | 200-150-230E | 275 | 14.8 | 18.5 | ||
| 046 | A | 260 | 13.2 | 15 | ||
| 序号 | 泵型 | 流量 m3/h |
扬程 (m) |
电机 KW |
查阅区 | |
| 047 | 200-150-230E | B | 232 | 10.6 | 11 | P11 |
| 048 | C | 210 | 8.7 | 11 | ||
| 049 | 200-150-230 | 472 | 60 | 110 | P12 | |
| 050 | A | 442 | 53 | 90 | ||
| 051 | B | 394 | 42 | 75 | ||
| 052 | C | 370 | 37 | 75 | ||
| 053 | 200-150-230F | 256 | 15.1 | 15 | ||
| 054 | A | 242 | 13.5 | 15 | ||
| 055 | B | 224 | 11.5 | 11 | ||
| 056 | C | 200 | 9.1 | 7.5 | ||
| 057 | 200-150-290(I) | 535 | 108 | 220 | P13 | |
| 058 | A | 483 | 88 | 185 | ||
| 059 | B | 437 | 72 | 132 | ||
| 060 | C | 389 | 57 | 110 | ||
| 061 | 200-150-290E | 270 | 27 | 30 | ||
| 062 | A | 243 | 22 | 22 | ||
| 063 | B | 220 | 18.0 | 18.5 | ||
| 064 | C | 195 | 14.2 | 15 | ||
| 065 | 200-150-290 | 479 | 100 | 200 | P14 | |
| 066 | A | 438 | 83.5 | 160 | ||
| 067 | B | 400 | 70 | 110 | ||
| 068 | C | 355 | 55 | 90 | ||
| 069 | 200-150-290F | 242 | 25 | 30 | ||
| 070 | A | 222 | 21 | 18.5 | ||
| 071 | B | 203 | 17.5 | 15 | ||
| 072 | C | 180 | 13.7 | 11 | ||
| 073 | 200-150-365(I) | 310 | 47 | 75 | P15 | |
| 074 | A | 283 | 39 | 45 | ||
| 075 | B | 254 | 31.5 | 37 | ||
| 076 | C | 222 | 24 | 30 | ||
| 077 | 200-150-365 | 278 | 43 | 55 | ||
| 078 | A | 258 | 37 | 45 | ||
| 079 | B | 234 | 30.5 | 30 | ||
| 080 | C | 210 | 24.5 | 22 | ||
| 081 | 200-150-500(I) | 328 | 76 | 110 | P16 | |
| 082 | A | 307 | 66.5 | 90 | ||
| 083 | B | 282 | 56 | 75 | ||
| 084 | C | 250 | 44.3 | 45 | ||
| 085 | 200-150-500 | 295 | 69.5 | 90 | ||
| 086 | A | 275 | 60.5 | 75 | ||
| 087 | B | 257 | 53 | 55 | ||
| 088 | C | 230 | 43.5 | 45 | ||
| 089 | 200-150-280(I) | 443 | 21 | 37 | P17 | |
| 090 | A | 410 | 18 | 30 | ||
| 091 | B | 367 | 15 | 22 | ||
| 092 | C | 338 | 11.5 | 18.5 | ||
| 序号 | 泵型 | 流量 m3/h |
扬程 (m) |
电机 KW |
查阅区 | |
| 093 | 200-150-280 | 397 | 20.4 | 30 | P17 | |
| 094 | A | 362 | 17 | 30 | ||
| 095 | B | 340 | 14.5 | 22 | ||
| 096 | C | 318 | 11.5 | 18.5 | ||
| 097 | 200-150-360(I) | 448 | 38 | 75 | P18 | |
| 098 | A | 404 | 31 | 55 | ||
| 099 | B | 363 | 25 | 37 | ||
| 100 | C | 325 | 20 | 30 | ||
| 101 | 200-150-360 | 407 | 35 | 55 | ||
| 102 | A | 374 | 29.5 | 45 | ||
| 103 | B | 345 | 25 | 37 | ||
| 104 | C | 312 | 20.5 | 30 | ||
| 105 | 200-150-460(I) | 516 | 64 | 132 | P19 | |
| 106 | A | 468 | 54.5 | 110 | ||
| 107 | B | 419 | 43.5 | 75 | ||
| 108 | C | 375 | 35 | 55 | ||
| 109 | 200-150-460 | 440 | 60 | 110 | ||
| 110 | A | 402 | 50 | 90 | ||
| 111 | B | 359 | 40 | 75 | ||
| 112 | C | 326 | 33 | 45 | ||
| 113 | 250-200-605(I) | 584 | 105 | 280 | P20 | |
| 114 | A | 536 | 88.5 | 200 | ||
| 115 | B | 494 | 75 | 160 | ||
| 116 | C | 450 | 61.5 | 132 | ||
| 117 | 250-200-605 | 537 | 90 | 200 | ||
| 118 | A | 500 | 78 | 160 | ||
| 119 | B | 468 | 68.5 | 132 | ||
| 120 | C | 419 | 57.5 | 110 | ||
| 121 | 250-200-320(I) | 695 | 30 | 75 | P21 | |
| 122 | A | 641 | 25.5 | 75 | ||
| 123 | B | 586 | 21.3 | 55 | ||
| 124 | C | 530 | 17 | 37 | ||
| 125 | 250-200-320 | 638 | 28 | 75 | ||
| 126 | A | 597 | 24.5 | 55 | ||
| 127 | B | 552 | 21 | 45 | ||
| 128 | C | 497 | 17 | 37 | ||
| 129 | 250-200-420(I) | 710 | 52 | 160 | P22 | |
| 130 | A | 642 | 42.5 | 110 | ||
| 131 | B | 586 | 35.5 | 90 | ||
| 132 | C | 525 | 28.5 | 75 | ||
| 133 | 250-200-420 | 649 | 48 | 132 | ||
| 134 | A | 596 | 40.5 | 90 | ||
| 135 | B | 550 | 34.5 | 75 | ||
| 136 | C | 495 | 28 | 55 | ||
| 137 | 250-200-520(I) | 818 | 91 | 315 | P23 | |
| 138 | A | 750 | 76.5 | 250 | ||
| 序号 | 泵型 | 流量 m3/h |
1424扬程 (m) |
电机 KW |
查阅区 | |
| 139 | 250-200-520(I) | B | 688 | 62.5 | 200 | P23 |
| 140 | C | 630 | 47.5 | 132 | ||
| 141 | 250-200-520 | 735 | 81.7 | 250 | ||
| 142 | A | 670 | 68 | 200 | ||
| 143 | B | 633 | 55 | 160 | ||
| 144 | C | 576 | 43.5 | 110 | ||
| 145 | 300-250-370(I) | 1052 | 39 | 160 | P24 | |
| 146 | A | 968 | 33 | 132 | ||
| 147 | B | 915 | 27 | 110 | ||
| 148 | C | 843 | 20 | 75 | ||
| 149 | 300-250-370 | 1030 | 37 | 132 | ||
| 150 | A | 958 | 32 | 110 | ||
| 151 | B | 880 | 27 | 110 | ||
| 152 | C | 820 | 22 | 175 | ||
| 153 | 350-300-480(I) | 1175 | 66 | 280 | P25 | |
| 154 | A | 1072 | 55 | 220 | ||
| 155 | B | 975 | 45.5 | 200 | ||
| 156 | C | 903 | 37.5 | 160 | ||
| 157 | 350-300-480 | 1080 | 54.5 | 220 | ||
| 158 | A | 1004 | 47 | 200 | ||
| 159 | B | 911 | 40.5 | 160 | ||
| 160 | C | 830 | 34.5 | 110 | ||
| 161 | 350-300-300(I) | 1099 | 24.5 | 110 | P26 | |
| 162 | A | 1020 | 19.8 | 90 | ||
| 163 | B | 970 | 15.5 | 75 | ||
| 164 | C | 920 | 11.5 | 45 | ||
| 165 | 350-300-300 | 940 | 23 | 90 | ||
| 166 | A | 876 | 20 | 75 | ||
| 167 | B | 801 | 16.7 | 55 | ||
| 168 | C | 705 | 13.7 | 37 | ||
| 169 | 400-300-435(I) | 1678 | 53 | 315 | P27 | |
| 170 | A | 1576 | 45 | 280 | ||
| 171 | B | 1476 | 36.5 | 200 | ||
| 172 | C | 1360 | 27.5 | 160 | ||
| 173 | 400-300-435 | 1620 | 51.5 | 315 | ||
| 174 | A | 1520 | 45 | 250 | ||
| 175 | B | 1442 | 37.5 | 200 | ||
| 176 | C | 1332 | 30.5 | 160 | ||
| 177 | 400-350-360(I) | 1733 | 32 | 200 | P28 | |
| 178 | A | 1692 | 26.5 | 160 | ||
| 179 | B | 1642 | 21 | 132 | ||
| 180 | C | 1602 | 15 | 110 | ||
| 181 | 400-350-360 | 1424 | 31 | 160 | ||
| 182 | A | 1336 | 26.3 | 132 | ||
| 183 | B | 1270 | 22.5 | 110 | ||
| 184 | C | 1188 | 17.8 | 90 | ||
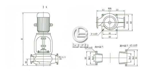
SLB双吸空调泵外形与安装尺寸(用于直接安装)

| 序号 | 泵 型 | 外形与安装尺寸 | 进口法兰 | 出口法兰 | 联接板代号 | |||||||||||||
| L1 | L2 | H1 | H | A1×B1 | A2×B2 | d3 | Dn1 | Dk1 | D1 | n1-d1 | Dn2 | Dk2 | D2 | n2-d2 | ||||
| 1 | 150-125-250(I) | 360 | 400 | 195 | 1850 | 400×300 | 450×350 | 23 | 150 | 240 | 285 | 8-ф22 | 125 | 210 | 250 | 8-ф18 | LS01 | |
| 2 | A | 1765 | ||||||||||||||||
| 3 | B | 1650 | ||||||||||||||||
| 4 | C | 1600 | ||||||||||||||||
| 5 | 150-125-250E | 1600 | ||||||||||||||||
| 6 | A | 1720 | ||||||||||||||||
| 7 | B | 1520 | ||||||||||||||||
| 8 | C | 1580 | ||||||||||||||||
| 9 | 150-125-250 | 1850 | ||||||||||||||||
| 10 | A | 1765 | ||||||||||||||||
| 11 | B | 1650 | ||||||||||||||||
| 12 | C | 1600 | ||||||||||||||||
| 13 | 150-125-250F | 1600 | ||||||||||||||||
| 14 | A | 1720 | ||||||||||||||||
| 15 | B | 1520 | ||||||||||||||||
| 16 | C | 1580 | ||||||||||||||||
| 17 | 150-125-310(I) | 2110 | ||||||||||||||||
| 18 | A | 2110 | ||||||||||||||||
| 19 | B | 2000 | ||||||||||||||||
| 20 | C | 1850 | ||||||||||||||||
| 21 | 150-125-310E | 1560 | ||||||||||||||||
| 22 | A | 1560 | ||||||||||||||||
| 23 | B | 1520 | ||||||||||||||||
| 24 | C | 1520 | ||||||||||||||||
| 25 | 150-125-310 | 2120 | ||||||||||||||||
| 26 | A | 2000 | ||||||||||||||||
| 27 | B | 1850 | ||||||||||||||||
| 28 | C | 1820 | ||||||||||||||||
| 29 | 150-125-310F | 1560 | ||||||||||||||||
| 30 | A | 1530 | ||||||||||||||||
| 31 | B | 1530 | ||||||||||||||||
| 32 | C | 1530 | ||||||||||||||||
| 33 | 150-125-375(I) | 400 | 450 | 1680 | ||||||||||||||
| 34 | A | 1630 | ||||||||||||||||
| 35 | B | 1630 | ||||||||||||||||
| 36 | C | 1580 | ||||||||||||||||
| 37 | 150-125-375E | 1660 | ||||||||||||||||
| 38 | A | 1640 | ||||||||||||||||
| 39 | B | 1620 | ||||||||||||||||
| 40 | C | 1580 | ||||||||||||||||
| 41 | 200-150-230(I) | 400 | 450 | 215 | 2200 | 450×350 | 510×410 | 28 | 200 | 295 | 340 | 12-ф22 | 150 | 240 | 285 | 8-ф22 | LS02 | |
| 42 | A | 2130 | ||||||||||||||||
| 43 | B | 1860 | ||||||||||||||||
| 44 | C | 1860 | ||||||||||||||||
| 45 | 200-150-230E | 1620 | ||||||||||||||||
| 46 | A | 1580 | ||||||||||||||||
| 47 | B | 1580 | ||||||||||||||||
| 48 | C | 1540 | ||||||||||||||||
| 49 | 200-150-230 | 2130 | ||||||||||||||||
| 50 | A | 1920 | ||||||||||||||||
| 51 | B | 1880 | ||||||||||||||||
| 52 | C | 1880 | ||||||||||||||||
| 53 | 200-150-230F | 1600 | ||||||||||||||||
| 54 | A | 1600 | ||||||||||||||||
| 55 | B | 1600 | ||||||||||||||||
| 56 | C | 1530 | ||||||||||||||||
| 57 | 200-150-290(I) | 2350 | ||||||||||||||||
| 58 | A | 2200 | ||||||||||||||||
| 59 | B | 2120 | ||||||||||||||||
| 60 | C | 2120 | ||||||||||||||||
| 61 | 200-150-290E | 1680 | ||||||||||||||||
| 62 | A | 1630 | ||||||||||||||||
| 63 | B | 1630 | ||||||||||||||||
| 64 | C | 1600 | ||||||||||||||||
| 65 | 200-150-290 | 2200 | ||||||||||||||||
| 66 | A | 2130 | ||||||||||||||||
| 67 | B | 2130 | ||||||||||||||||
| 68 | C | 1920 | ||||||||||||||||
| 69 | 200-150-290F | 1700 | ||||||||||||||||
| 70 | A | 1620 | ||||||||||||||||
| 71 | B | 1600 | ||||||||||||||||
| 72 | C | 1600 | ||||||||||||||||
| 73 | 200-150-365(I) | 2150 | ||||||||||||||||
| 74 | A | 1880 | ||||||||||||||||
| 75 | B | 1780 | ||||||||||||||||
| 76 | C | 1720 | ||||||||||||||||
| 77 | 200-150-365 | 2050 | ||||||||||||||||
| 78 | A | 1900 | ||||||||||||||||
| 79 | B | 1720 | ||||||||||||||||
| 80 | C | 1660 | ||||||||||||||||
| 81 | 200-150-500(I) | 480 | 530 | 230 | 2160 | 520×350 | 600×410 | LS03 | ||||||||||
| 82 | A | 2200 | ||||||||||||||||
| 83 | B | 1980 | ||||||||||||||||
| 84 | C | 1780 | ||||||||||||||||
| 85 | 200-150-500 | 2020 | ||||||||||||||||
| 86 | A | 1980 | ||||||||||||||||
| 87 | B | 1880 | ||||||||||||||||
| 88 | C | 1780 | ||||||||||||||||
| 89 | 200-150-280(I) | 430 | 480 | 230 | 1760 | LS02 | ||||||||||||
| 90 | A | 1720 | ||||||||||||||||
| 91 | B | 1700 | ||||||||||||||||
| 92 | C | 1650 | ||||||||||||||||
| 93 | 200-150-280 | 1720 | ||||||||||||||||
| 94 | A | 1720 | ||||||||||||||||
| 95 | B | 1680 | ||||||||||||||||
| 96 | C | 1650 | ||||||||||||||||
| 97 | 200-150-360(I) | 1980 | ||||||||||||||||
| 98 | A | 1880 | ||||||||||||||||
| 99 | B | 1760 | ||||||||||||||||
| 100 | C | 1720 | ||||||||||||||||
| 101 | 200-150-360 | 1880 | ||||||||||||||||
| 102 | A | 1780 | ||||||||||||||||
| 103 | B | 1760 | ||||||||||||||||
| 104 | C | 1720 | ||||||||||||||||
| 105 | 200-150-460(I) | 480 | 550 | 260 | 2270 | 520×350 | 600×410 | 28 | 200 | 295 | 340 | 12-ф22 | 150 | 240 | 285 | 12-ф22 | LS03 | |
| 106 | A | 2220 | ||||||||||||||||
| 107 | B | 1980 | ||||||||||||||||
| 108 | C | 1880 | ||||||||||||||||
| 109 | 200-150-460 | 2220 | ||||||||||||||||
| 110 | A | 2020 | ||||||||||||||||
| 111 | B | 1980 | ||||||||||||||||
| 112 | C | 1780 | ||||||||||||||||
| 113 | 250-200-605(I) | 530 | 730 | 260 | 2480 | 600×430 | 680×500 | 32 | 250 | 355 | 405 | 12-ф26 | 200 | 295 | 340 | 12-ф22 | LS05 | |
| 114 | A | 2300 | ||||||||||||||||
| 115 | B | 2260 | ||||||||||||||||
| 116 | C | 2260 | ||||||||||||||||
| 117 | 250-200-605 | 2300 | ||||||||||||||||
| 118 | A | 2250 | ||||||||||||||||
| 119 | B | 2250 | ||||||||||||||||
| 120 | C | 2220 | ||||||||||||||||
| 121 | 250-200-320(I) | 480 | 550 | 260 | 1970 | 520×350 | 600×410 | 28 | LS03 | |||||||||
| 122 | A | 1970 | ||||||||||||||||
| 123 | B | 1880 | ||||||||||||||||
| 124 | C | 1800 | ||||||||||||||||
| 125 | 250-200-320 | 1980 | ||||||||||||||||
| 126 | A | 1880 | ||||||||||||||||
| 127 | B | 1800 | ||||||||||||||||
| 128 | C | 1800 | ||||||||||||||||
| 129 | 250-200-420(I) | 530 | 600 | 260 | 2250 | 550×400 | 630×470 | 28 | LS04 | |||||||||
| 130 | A | 2220 | ||||||||||||||||
| 131 | B | 2030 | ||||||||||||||||
| 132 | C | 1980 | ||||||||||||||||
| 133 | 250-200-420 | 2250 | ||||||||||||||||
| 134 | A | 2020 | ||||||||||||||||
| 135 | B | 1980 | ||||||||||||||||
| 136 | C | 1880 | ||||||||||||||||
| 137 | 250-200-520(I) | 550 | 600 | 320 | 2650 | 650×480 | 720×550 | 32 | LS06 | |||||||||
| 138 | A | 2620 | ||||||||||||||||
| 139 | B | 2520 | ||||||||||||||||
| 140 | C | 2430 | ||||||||||||||||
| 141 | 250-200-520 | 2620 | ||||||||||||||||
| 142 | A | 2520 | ||||||||||||||||
| 143 | B | 2520 | ||||||||||||||||
| 144 | C | 2360 | ||||||||||||||||
| 145 | 300-250-370(I) | 530 | 630 | 340 | 650×480 | 720×550 | 32 | 300 | 410 | 460 | 12-ф26 | 250 | 355 | 405 | 12-ф26 | LS06 | ||
| 146 | A | |||||||||||||||||
| 147 | B | |||||||||||||||||
| 148 | C | |||||||||||||||||
| 149 | 300-250-370 | |||||||||||||||||
| 150 | A | |||||||||||||||||
| 151 | B | |||||||||||||||||
| 152 | C | |||||||||||||||||
| 153 | 350-300-480(I) | 600 | 700 | 340 | 650×480 | 720×550 | 32 | 350 | 470 | 520 | 16-ф26 | 300 | 410 | 460 | 12-ф26 | LS06 | ||
| 154 | A | |||||||||||||||||
| 155 | B | |||||||||||||||||
| 156 | C | |||||||||||||||||
| 157 | 350-300-480 | |||||||||||||||||
| 158 | A | |||||||||||||||||
| 159 | B | |||||||||||||||||
| 160 | C | |||||||||||||||||
| 161 | 350-300-300(I) | 550 | 650 | 350 | ||||||||||||||
| 162 | A | |||||||||||||||||
| 163 | B | |||||||||||||||||
| 164 | C | |||||||||||||||||
| 165 | 350-300-300 | |||||||||||||||||
| 166 | A | |||||||||||||||||
| 167 | B | |||||||||||||||||
| 168 | C | |||||||||||||||||
| 169 | 400-300-435(I) | 700 | 800 | 370 | 720×600 | 800×680 | 32 | 400 | 525 | 580 | 16-ф30 | 350 | 470 | 520 | 16-ф26 | LS07 | ||
| 170 | A | |||||||||||||||||
| 171 | B | |||||||||||||||||
| 172 | C | |||||||||||||||||
| 173 | 400-300-435 | |||||||||||||||||
| 174 | A | |||||||||||||||||
| 175 | B | |||||||||||||||||
| 176 | C | |||||||||||||||||
| 177 | 400-300-36(I) | 650 | 800 | 370 | ||||||||||||||
| 178 | A | |||||||||||||||||
| 179 | B | |||||||||||||||||
| 180 | C | |||||||||||||||||
| 181 | 400-350-360 | |||||||||||||||||
| 182 | A | |||||||||||||||||
| 183 | B | |||||||||||||||||
| 184 | C | |||||||||||||||||
订购注意事项:
1.本网页显示的SLB型便拆式管道离心泵安装尺寸、外形尺寸、图片、流量、扬程、功率、参数表等样本信息,为”LQ牌“离心泵厂家上海连渠泵业所有,请勿转载,转载必究。
2.上海连渠泵业有限公司是一家专业的离心泵生产厂家/制造商。生产的SLB型便拆式管道离心泵,质量可靠,价格合理,如果还需要了解其他(离心泵),请来电咨询,我们也可根据客户要求专门定制。
3.由于编辑水平有限,以上信息仅作参考之用,错误和不妥之处在所难免,真诚希望您批评指正。
离心泵有立式、卧式、单级、多级、单吸、双吸、自吸式等多种形式。其主要的工作原理有:离心是物体惯性的表现。比如雨伞上的水滴,当雨伞缓慢转动时,水滴会 跟随雨伞转动,这是因为雨伞与水滴的摩擦力做为给水滴的向心力使然。但是如果雨伞转动加快,这个摩擦力不足以使水滴在做圆周运动,那么水滴将脱离雨伞向外缘运动产生离心力,离心泵 就是根据这样的原理设计的产品。 离心泵引就是根据离心力原理设计的,高速旋转的叶轮叶片带动水转动,将水甩出,从而达到输送的的。离心泵有好多种,上海连渠泵业主要生产的离心泵 有SLB型便拆式管道离心泵、XWJ型无堵塞纸浆泵、GDL型多级管道离心泵、卧式管道离心泵、ISGD型低转速管道离心泵、单级单吸清水(热水)离心泵、不锈钢立式多级离心泵等系列离心泵产 品。