S型卧式玻璃钢管道离心泵(简称:S型玻璃钢泵)接触液体的过流部件均采用聚乙烯醇缩丁醛、改性酚醛玻璃纤维材料经高温模压而成,具有良好的耐腐蚀,耐温性能高、重量轻、比强度高、不变形等。S型卧式玻璃钢管道泵的轴封采用普通型和耐颗粒型机封二种(液下泵不用机械密封)结构合理,消耗功率少。S型卧式玻璃钢管道泵是新型材料的耐腐蚀泵,已经被很多化工企业输送腐蚀性介质广泛的应用。


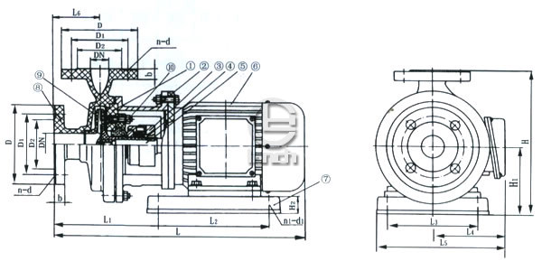
| 1 | 2 | 3 | 4 | 5 | 6 | 7 | 8 | 9 | 10 |
| 泵盖 | 联接架 | 机械密封 | 轴承 | 轴 | 电机 | 底座 | 泵体 | 叶轮 | 密封压盖 |
性能参数表
| 型号 | 流量 Qm3/h | 扬程 H m | 转速 n r/min | 效率 n % | 汽蚀余量 NPSHrm | 电机功率 NKW |
| S25×25-12.5 | 3.2 | 12.5 | 2900 | 41 | 3 | 0.55/0.75 |
| S40×32-20 | 6.3 | 20 | 2900 | 50 | 3 | 1.1/1.5 |
| S40×32-32 | 6.3 | 32 | 2900 | 45 | 3 | 2.2/3 |
| S50×40-20 | 12.5 | 20 | 2900 | 53 | 3 | 2.2/3 |
| S50×32-32 | 12.5 | 32 | 2900 | 51 | 3 | 4.0/5.5 |
| S65×50-20 | 25 | 20 | 2900 | 64 | 3 | 3.0/4 |
| S65×50-25 | 25 | 25 | 2900 | 61 | 3 | 3.0/4 |
| S65×50-32 | 25 | 32 | 2900 | 60 | 3 | 5.5/7.5 |
| S80×65-32 | 50 | 32 | 2900 | 69 | 4 | 7.5/11 |
| S100×80-50 | 100 | 100 | 2900 | 73 | 5 | 22/30 |
订购注意事项:
1.本网页显示的S型卧式玻璃钢管道离心泵安装尺寸、外形尺寸、图片、流量、扬程、功率、参数表等样本信息,为”LQ牌“离心泵厂家上海连渠泵业所有,请勿转载,转载必究。
2.上海连渠泵业有限公司是一家专业的离心泵生产厂家/制造商。生产的S型卧式玻璃钢管道离心泵,质量可靠,价格合理,如果还需要了解其他(离心泵),请来电咨询,我们也可根据客户要求专门定制。
3.由于编辑水平有限,以上信息仅作参考之用,错误和不妥之处在所难免,真诚希望您批评指正。
离心泵有立式、卧式、单级、多级、单吸、双吸、自吸式等多种形式。其主要的工作原理有:离心是物体惯性的表现。比如雨伞上的水滴,当雨伞缓慢转动时,水滴会 跟随雨伞转动,这是因为雨伞与水滴的摩擦力做为给水滴的向心力使然。但是如果雨伞转动加快,这个摩擦力不足以使水滴在做圆周运动,那么水滴将脱离雨伞向外缘运动产生离心力,离心泵 就是根据这样的原理设计的产品。 离心泵引就是根据离心力原理设计的,高速旋转的叶轮叶片带动水转动,将水甩出,从而达到输送的的。离心泵有好多种,上海连渠泵业主要生产的离心泵 有SLB型便拆式管道离心泵、XWJ型无堵塞纸浆泵、GDL型多级管道离心泵、卧式管道离心泵、ISGD型低转速管道离心泵、单级单吸清水(热水)离心泵、不锈钢立式多级离心泵等系列离心泵产 品。