XWJ型无堵塞纸浆泵是一种新型、节能型纸浆泵,经实际使用,具有高效、无或少泄露、抗堵塞性好、运行平稳、可靠性高、结构紧凑等特点。主要体现在以下几个方面:采用半开或全开式叶轮、耐磨板与叶轮前侧间隙可调、轴封主要采用机械密封并选用高精度轴承(D级精度)及优质轴材料等,因此XWJ型无堵塞纸浆泵是您理想的"好帮手",同时您的成功也是我们始终的追求。XWJ型无堵塞纸浆泵可广泛适用于轻工、造纸行业中温度低于110°C,弄地低于6%浆料的输送,同时也可用于工业和城市给水、排水等场合。

无堵塞纸浆泵结构简介
XWJ型纸浆泵为单级单吸悬臂式结构,主要由泵体、叶轮、泵盖、耐磨板及悬架部件组成;
从电机端看,电机为顺时针方向旋转,且泵为轴向吸入,径向(中间)排出;
泵为后开门结构,维修时可不必拆卸进出管路;
泵轴由两个高精度滚动轴承支撑,采用稀油润滑(20#机油);
轴封采用机械密封或填料两种型式;
耐磨板与叶轮前侧间隙可通过调节螺杆进行调节,以保持叶轮连续运行的高效性;
泵和电机由柱销联轴器直联传动。
该泵的各过流部件材质为HT200、QT450-10、ZG35或ZG1Cr18NI9Ti。
轴材质为40CR或3Cr13。
性能范围
流量:20∽4003/h 转速:1450r/min
扬程:10∽32m 功率:1.5∽55Kw。
无堵塞纸浆泵型号意义

无堵塞纸浆泵性能参数
| 泵型号 | 流量(m3/h) | 扬程(m) | 转速(r/min) | 配套电机型号及功率(KW) | |
| 80XWJ25-12.5 | 25 | 12.5 | 1450 | Y100L1-4/2.2 | |
| A | 20 | 10 | Y90l-4/1.5 | ||
| 80XWJ25-20 | 25 | 20 | 1450 | Y100L2-4/3 | |
| A | 20 | 16 | Y100L-4/2.2 | ||
| 100XWJ50-20 | 50 | 20 | 1450 | Y132S-4/5.5 | |
| A | 45 | 18 | Y112M-4/4 | ||
| B | 40 | 16 | Y112M-4/4 | ||
| 100XWJ50-32 | 50 | 32 | 1450 | Y160M-4/11 | |
| A | 40 | 26 | Y132S-4/5.5 | ||
| 125XWJ100-20 | 100 | 20 | 1450 | Y160M-4/11 | |
| A | 90 | 18 | Y132S-4/7.5 | ||
| B | 80 | 16 | Y132S-4/7.5 | ||
| 125XWJ100-32 | 100 | 32 | 1450 | Y160M-4/15 | |
| A | 90 | 28 | Y160M-4/11 | ||
| B | 80 | 26 | Y160M-4/11 | ||
| 150XWJ200-20 | 200 | 20 | 1450 | Y180M-4/18.5 | |
| A | 180 | 18 | Y160M-4/15 | ||
| B | 160 | 16 | Y160M-4/11 | ||
| 150XWJ200-32 | 200 | 32 | 1450 | Y200L-4/30 | |
| A | 187 | 28 | Y180M-4/22 | ||
| B | 170 | 24 | Y180M-4/18.5 | ||
| 200XWJ400-20 | 400 | 20 | 1450 | Y225S-4/37 | |
| A | 380 | 18 | Y200L-4/30 | ||
| B | 340 | 15 | Y180L-4/22 | ||
| 200XWJ400-32 | 400 | 32 | 1450 | Y250M-4/55 | |
| A | 375 | 28 | Y225M-4/45 | ||
| B | 340 | 24 | Y225S-4/37 | ||
无堵塞纸浆泵结构图

| 1 | 泵体 | 2 | 调节螺杆 | 3 | 耐磨板 | 4 | 叶轮 | 5 | O形圈 | 6 | 泵盖 | 7 | 软管接头 | ||||
| 8 | 填料或机械密封 | 9 | 悬架部件 | 10 | 支架 | 11 | 挡水圈 | 12 | 叶轮螺母 | ||||||||
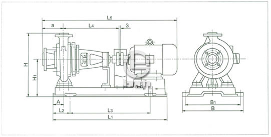
无堵塞纸浆泵机组外形及安装尺寸图及安装尺寸表

| 泵型号 | 配套电机型号及功率(KW) | A | L1 | L2 | L3 | a | L4 | L5 | B1 | B | H1 | H | n-d |
| 80XWJ25-12.5 | Y100L1-4/2.2 | 60 | 768 | 108 | 550 | 110 | 371 | 847 | 310 | 350 | 215 | 425 | 4-ф18 |
| 80XWJ25-12.5A | Y90L-4/1.5 | 807 | |||||||||||
| 80XWJ25-20 | Y100L2-4/3 | 110 | 980 | 120 | 740 | 125 | 491 | 847 | 440 | 490 | 255 | 490 | |
| 80XWJ25-20A | Y100L1-4/2.2 | ||||||||||||
| 100XWJ50-20 | Y132S-4/5.5 | 90 | 920 | 130 | 660 | 125 | 472 | 1077 | 440 | 490 | 270 | 520 | |
| 100XWJ50-20A | Y112M-4/4 | 1002 | |||||||||||
| 100XWJ50-20B | Y112M-4/4 | ||||||||||||
| 100XWJ50-32 | Y160M-4/11 | 1043 | 125 | 740 | 1207 | 460 | 510 | 300 | 580 | ||||
| 100XWJ50-32A | Y132S-4/5.5 | 990 | 1077 | ||||||||||
| 125XWJ100-20 | Y160M-4/11 | 1200 | 180 | 840 | 140 | 502 | 1252 | 300 | 580 | 4-ф24 | |||
| 125XWJ100-20A | Y132M-4/7.5 | 990 | 125 | 740 | 1162 | 4-ф18 | |||||||
| 125XWJ100-20B | Y132M-4/7.5 | ||||||||||||
| 125XWJ100-32 | Y160L-4/15 | 1200 | 180 | 840 | 1297 | 325 | 640 | 4-ф24 | |||||
| 125XWJ100-32A | Y160M-4/11 | 1252 | |||||||||||
| 125XWJ100-32B | Y160M-4/11 | ||||||||||||
| 150XWJ200-20 | Y180M-4/18.5 | 150 | 1327 | 325 | 680 | ||||||||
| 150XWJ200-20A | Y160L-4/15 | 1307 | |||||||||||
| 150XWJ200-20B | Y160M-4/11 | 1262 | |||||||||||
| 150XWJ200-32 | Y200L-4/30 | 1432 | 375 | 730 | |||||||||
| 150XWJ200-32A | Y180L-4/22 | 1367 | |||||||||||
| 150XWJ200-32B | Y180M-4/18.5 | 1327 | |||||||||||
| 200XWJ400-20 | Y225S-4/37 | 115 | 1500 | 200 | 1050 | 350 | 652 | 1487 | 630 | 690 | 465 | 865 | 4-ф28 |
| 200XWJ400-20A | Y200L-4/30 | 1442 | |||||||||||
| 200XWJ400-20B | Y180L-4/22 | 1377 | |||||||||||
| 200XWJ400-32 | Y250M-4/55 | 115 | 1500 | 200 | 1050 | 350 | 1717 | ||||||
| 200XWJ400-32A | Y225M-4/45 | 1632 | |||||||||||
| 200XWJ400-32B | Y225S-4/37 | 1607 |
订购注意事项:
1.本网页显示的XWJ型无堵塞纸浆泵图片、参数表等样本信息,为LQ牌上海连渠泵业所有,请勿转载,转载必究。
2.上海连渠泵业有限公司是一家专业的离心泵生产厂家/制造商。生产的XWJ型无堵塞纸浆泵,质量可靠,价格合理,如果还需要了解其他(离心泵),请来电咨询,我们也可根据客户要求专门定制。
3.由于编辑水平有限,以上信息仅作参考之用,错误和不妥之处在所难免,真诚希望您批评指正。
离心泵有立式、卧式、单级、多级、单吸、双吸、自吸式等多种形式。其主要的工作原理有:离心是物体惯性的表现。比如雨伞上的水滴,当雨伞缓慢转动时,水滴会 跟随雨伞转动,这是因为雨伞与水滴的摩擦力做为给水滴的向心力使然。但是如果雨伞转动加快,这个摩擦力不足以使水滴在做圆周运动,那么水滴将脱离雨伞向外缘运动产生离心力,离心泵 就是根据这样的原理设计的产品。 离心泵引就是根据离心力原理设计的,高速旋转的叶轮叶片带动水转动,将水甩出,从而达到输送的的。离心泵有好多种,上海连渠泵业主要生产的离心泵 有SLB型便拆式管道离心泵、XWJ型无堵塞纸浆泵、GDL型多级管道离心泵、卧式管道离心泵、ISGD型低转速管道离心泵、单级单吸清水(热水)离心泵、不锈钢立式多级离心泵等系列离心泵产 品。