I-1B型螺杆泵、浓浆泵,简称I-1B螺杆泵,
I-1B浓浆泵。是一种单螺杆式输运泵,它的主要工作部件是偏心螺旋体的螺杆(称转子)和内表面呈双线螺旋面的螺杆衬套(称定子)。其工作原理是当电动机带动泵轴转动时,螺杆一方面绕本身的轴线旋转,另一方面它又沿衬套内表面滚动,于是形成泵的密封腔室。螺杆每转一周,密封腔中的液体向前推进一个螺距。随着螺杆的连续传动,液体以螺旋形方式从一个密封腔压向另一个密封腔,最后挤出泵体。
I-1B型螺杆泵是一种新型的输送液体的机械,具有结构简单、工作安全可靠、使用维修方便、出液连续均匀、压力稳定等优点。我单位生产的浓浆泵凡接触物料的金属零件均选用优质不锈耐酸钢制作,轴材料2Cr13衬筒采用无毒无味的橡胶、工作温度可达100℃,可用于输送食品浆料和粘度10000泊斯卡?秒含有固体颗粒或胶块的溶液浆,悬浮液的腐蚀性介质。广泛于食品、冶金、建筑、制药、化工等工业部门。

I-1B型螺杆泵工作性能
| TYPE | 口径 | Head(m) | 压力 | 功率 | 理论流量 | 流量(m3/h) | 吸程 | 转速 |
| 泵型号 | (mm) | 扬程 | KW | 0MPa(m3/h) | 0.6Mpa 1.2Mpa | (m) | (r/min) | |
| I-1B1 | 25 | 50 | 5 | 1.1 | 2.39 | 1.5 | 2 | 960 |
| 100 | 10 | 2.2 | ||||||
| I-1B1.5时 | 40 | 80 | 8 | 2.2 | 5.2 | 3.2 | 3 | 960 |
| 120 | 12 | 4 | ||||||
| I-1B2时 | 50 | 80 | 8 | 3 | 8.85 | 5.6 | 3 | 960 |
| 120 | 12 | 5.5 | ||||||
| I-1B2.5时 | 65 | 60 | 6 | 3 | 10.6 | 6.5 | 3 | 960 |
| 120 | 12 | 7.5 | ||||||
| I-1B3时 | 75 | 60 | 6 | 5.5 | 18.1 | 12 | 3 | 960 |
| 120 | 12 | 11 | ||||||
| I-1B4时 | 100 | 60 | 6 | 7.5 | 24 | 16 | 3 | 960 |
| I-1B5时 | 125 | 60 | 6 | 11 | 27 | 19 | 3 | 960 |
| I-1B6时 | 150 | 60 | 6 | 15 | 35 | 24 | 3 | 960 |
老型I-1B型螺杆泵工作性能
| Type | 流量 | Head(m) | 吸程 | 口径 | r/min | 配用电机 | 压力 |
| 泵型号 | m3/h | 扬程 | (m) | (mm) | 转速 | (KW) | |
| I-1B1时 | 1.1 | 30 | 2 | 25 | 960 | 2.2 | 3 |
| I-1B1.5时 | 3 | 80 | 3 | 40 | 960 | 3 | 8 |
| I-1B2时 | 5.4 | 80 | 3 | 50 | 960 | 3 | 8 |
| I-1B3时 | 10 | 60 | 3 | 75 | 960 | 7.5 | 6 |
| I-1B4时 | 13 | 50 | 2 | 100 | 960 | 11 | 5 |
| I-1B5时 | 15 | 40 | 2 | 125 | 960 | 15 | 4 |
结构简介
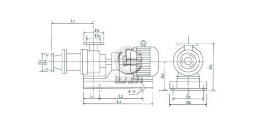
I-1B系列螺杆浓浆泵由电动机、联轴器、泵和底座四个部分组成(见附图)。
配用的动力采用Y系列三相异步电动机(六级)。
联轴器采用水泵用爪型弹性联轴器。
泵由泵壳、空心轴、万向铰接头、绕轴、螺杆、衬套、轴封装置和出料口等组成、螺杆的断面为圆形、衬套断面为椭圆形,其内表面为双螺旋面。
I-1B浓浆泵内结构图

I-1B型浓浆泵安装尺寸

| 型号/口径 | L1 | L2 | L3 | L4 | L5 | H1 | p | B1 | B2 | ф | D1 | D2 | D3 | D4 |
| I-1B25 | 250 | 455 | 620 | 85 | 45 | 225 | 140 | 160 | 190 | 14 | 115 | 85 | 115 | 85 |
| I-1B(老型)25 | 350 | 495 | 680 | 90 | 55 | 250 | 160 | 150 | 190 | 14 | 115 | 85 | 115 | 85 |
| I-1B40 | 275 | 515 | 830 | 215 | 90 | 282 | 160 | 220 | 250 | 14 | 145 | 110 | 145 | 110 |
| I-1B(老型)40 | 410 | 720 | 950 | 120 | 55 | 330 | 200 | 265 | 300 | 14 | 145 | 110 | 145 | 110 |
| I-1B50 | 370 | 720 | 950 | 120 | 55 | 330 | 200 | 265 | 300 | 14 | 160 | 125 | 160 | 125 |
| I-1B(老型)50 | 410 | 720 | 950 | 120 | 55 | 330 | 200 | 265 | 300 | 14 | 160 | 125 | 160 | 125 |
| I-1B65 | 410 | 720 | 950 | 120 | 55 | 330 | 200 | 265 | 300 | 14 | 180 | 145 | 180 | 145 |
| I-1B75 | 450 | 820 | 1100 | 155 | 55 | 385 | 220 | 285 | 320 | 16 | 195 | 160 | 195 | 160 |
| I-1B(老型)75 | 500 | 820 | 1200 | 230 | 115 | 410 | 230 | 295 | 330 | 16 | 195 | 160 | 195 | 160 |
| I-1B100 | 500 | 820 | 1200 | 230 | 115 | 410 | 230 | 295 | 330 | 16 | 215 | 180 | 215 | 180 |
| I-1B125 | 300 | 820 | 1200 | 230 | 115 | 410 | 230 | 295 | 330 | 16 | 245 | 210 | 245 | 210 |
| I-1B150 |
订购注意事项:
1.本网页显示的I-1B型螺杆泵、浓浆泵图片、参数表等样本信息,为LQ牌上海连渠泵业所有,请勿转载,转载必究。
2.上海连渠泵业有限公司是一家专业的螺杆泵生产厂家/制造商。生产的I-1B型螺杆泵、浓浆泵,质量可靠,价格合理,如果还需要了解其他(螺杆泵),请来电咨询,我们也可根据客户要求专门定制。
3.由于编辑水平有限,以上信息仅作参考之用,错误和不妥之处在所难免,真诚希望您批评指正。
螺杆泵是一种单螺杆式输送泵、它的主要工作部件是转子和定子。上海连渠泵业主要生产的螺杆泵有G型单螺杆泵,GNF型不锈钢单螺杆泵,2H型双螺杆泵,三螺杆泵(保 温型沥青泵),I-1B型螺杆泵、浓浆泵,G型齿轮变速螺杆泵等系列螺杆泵。 螺杆泵工作原理是当电动泵轴转动时,螺杆一方面绕本身的轴线旋转,另一方面它又沿衬套内表面滚动,螺杆泵利用偏心单螺旋的螺杆在双旋衬套内的转动,使浓浆液 沿螺旋槽由吸入口推移至排出口,实现泵的输送功能。螺杆泵零件少,结构紧凑,体积小,维修简单.上海连渠泵业设计生产的三螺杆泵属于3G型国家标准转子式容积泵和3GBW保温型转子式容 积泵两种类型螺杆泵,其外型安装尺寸相同,具有加热和冷却功能。该螺杆泵结构简单、维修方便、体积小、流量稳定、噪音低、自吸能力强、不泄漏、压力高、耐高温、可以倒转、经久耐 用。经长期使用性能稳定可靠,可完全替代国外同类螺杆泵产品。