QXF型全不锈钢潜水泵,简称:QXF潜水泵。系上海连渠泵业技术部科研人员,根据国外先进的水力模型,结合国内水质特点,潜心研究并生产制造的新型外壳、过流部件及外部零件材质均采用不锈钢材料(304、316、304L、316L)制成的潜水型排污电泵。
QXF潜水泵型号说明

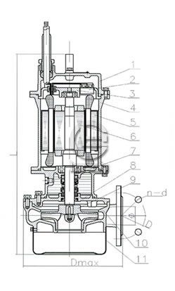
QXF潜水泵结构简图

| 序号/Number | 名称/Name | 材料/Material |
| 1 | 上盖/Top cover | 不锈钢Stainless steel |
| 2 | 热保护器/Protector | |
| 3 | 上轴承支架/Upper bearing seat | |
| 4 | 机座/Rotator | 不锈钢Stainless steel |
| 5 | 定子/Stator | |
| 6 | 转子/Rotor | |
| 7 | 下轴承支架/Below bearing seat | 不锈钢Stainless steel |
| 8 | 叶轮上盖/ Impeller cover | 不锈钢Stainless steel |
| 9 | 叶轮/Impeller | 不锈钢Stainless steel |
| 10 | 蜗壳/Volute casing | 不锈钢Stainless steel |
| 11 | 过滤网/Filter gauze | 不锈钢Stainless steel |
QXF25-9-1.1型全不锈钢潜水泵性能曲线与性能参数


| 性能 型号 | 流量 m3/h | 扬程 m | 功率 kw | 出水口径 | 转速 r/min | 电压 v | 泵外径 mm | 电流 A | 电缆长度m | 重量 ? | |
| mm | inch | ||||||||||
| QXF6-25-1.1 | 6 | 25 | 1.1 | 25 | 1.0" | 2860 | 380 | 240 | 2.73 | 10 | 25 |
| QXF10-18-1.1 | 10 | 18 | 1.1 | 32 | 1.25" | 2860 | 380 | 250 | 2.73 | 10 | 25 |
| QXF15-14-1.1 | 15 | 14 | 1.1 | 40 | 1.5" | 2860 | 380 | 235 | 2.73 | 10 | 25 |
| QXF25-9-1.1 | 25 | 9 | 1.1 | 50 | 2" | 2860 | 380 | 260 | 2.73 | 10 | 25 |
| QXF40-6-1.1 | 40 | 6 | 1.1 | 65 | 2.5" | 2860 | 380 | 290 | 2.73 | 10 | 25 |
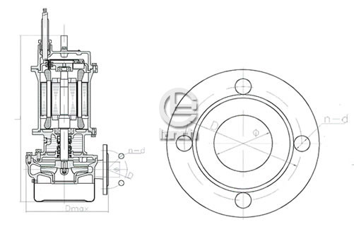
QXF25-9-1.1型全不锈钢潜水泵安装尺寸参数

| 尺寸 型号 | L mm | Dmax mm | D mm | n?d mm | Φ mm | G inch | W ? |
| QXF6-25-1.1 | 470 | 240 | 80 | 4-Φ14 | Φ25 | 1.0" | 25 |
| QXF10-18-1.1 | 480 | 250 | 90 | 4-Φ14 | Φ32 | 1.25" | 25 |
| QXF15-14-1.1 | 498 | 235 | 100 | 4-Φ14 | Φ40 | 1.5" | 25 |
| QXF25-9-1.1 | 530 | 260 | 110 | 4-Φ14 | Φ50 | 2" | 25 |
| QXF40-6-1.1 | 571 | 290 | 130 | 4-Φ14 | Φ65 | 2.5" | 25 |
订购注意事项:
1.本网页显示的QXF型全不锈钢潜水泵图纸、尺寸、重量、图片、参数表等样本信息,为“LQ牌”潜水泵厂家上海连渠泵业所有,请勿转载,转载必究。
2.上海连渠泵业有限公司是一家专业的潜水泵生产厂家/制造商。生产的QXF型全不锈钢潜水泵,质量可靠,价格合理,如果还需要了解其他(潜水泵),请来电咨询,我们也可根据客户要求专门定制。
3.由于编辑水平有限,以上信息仅作参考之用,错误和不妥之处在所难免,真诚希望您批评指正。
潜水泵泛指机泵能够整体潜入水中进行正常泵水作业的泵,上海连渠泵业生产的主要潜水产品有QYF型不锈钢潜水泵,QXF型、QYP型、QSP型全不锈钢潜水泵,隔爆排污排沙潜水泵,不锈钢多级深井潜水泵,QY型充油式潜水泵,QJ型深井潜水泵以及QDX、QX、QS、QY系列潜水泵,QDXP系列不锈钢潜水泵,WQ、JYWQ、WQK、AS系列潜水排污泵,WQP、QWP系列不锈钢污水泵,QJR系列热水深井泵、QJ、QJP系列深井潜水泵,QSP系列喷泉泵等各种潜水泵。产品因其质量优良,高效节能,安全可靠,价格合理,深受用户青睐,畅销国内所有省市并出口中东、东南亚等地区。上海连渠泵业的潜水泵产品广泛用于建筑、消防、环保、给排水、暖通、石油、化工、冶金、造纸、电力等行业。