KCB、2CY型齿轮式输油泵(简称:KCB、2CY齿轮油泵)适用于输送粘度在300 C.s.t以下的各种油类,如原油、柴油、润滑油、动植物油等。配用铜齿轮可输送低闪点液体,如汽油、苯等。介质温度不超过70℃,耐高温油泵的使用温度不超过300℃。泵本身带有安全阀,超载时起安全保护作用。轴封有骨架油封、机械密封、填料密封三种型式,订货注明。




用途说明
1、 本泵适用于输送各种油类,如重油、柴油、润滑油,配用铜齿轮可输送内点低液体,如汽油、苯等。本单位还生产不锈钢齿轮泵可输送饮料和腐蚀性的液体。
2、 本泵不适用于含硬质颗粒或纤维的,适用粘度为5×10-5 ~1.5×103 m2/s
。温度不高为70℃,如需输送高温液体,请使用耐高温齿轮泵,可输送300℃以下液体。
3、 KCB防爆齿轮油泵(流量计)适用于输送粘度在300C.s.t以下的各种油类,如原油、柴油、润滑油、动植物油等。配用铜齿轮可输送低闪点液体,如汽油、苯等。介质温度不超过70℃,耐高温油泵的使用温度不超过300℃。泵本身带有安全阀,超载时起安全保护作用。轴封有骨架油封。机械密封、填料密封三种型式,订货注明。
4、 2CY型齿轮式输油泵适用于输送各种有润滑性的液体,温度不高于70℃,如需高温200℃,同本单位联系可配用耐高温材料即可,粘度为5×10-5~1.5×10-3m2/s。本泵不适用于输送腐蚀性的、含硬质颗粒或纤维的、高度挥发或闪点低的液体,如汽油。苯等。<如该泵采用不锈钢,可输送一般腐蚀性的介质,客户订货时请在原型号后加P(P表示不锈钢)。>
型号意义

结构
本型泵是卧式回转泵,主要有泵体、齿轮、轴承座、轴承及密封装置等机件组成。
泵体、轴承座等为灰铸铁件,齿轮用优质碳素钢材制作,亦可根据用户特殊需要用铜材料或不锈钢材料制作。
轴承座上有一填料函室,起轴向密封作用。2CY100/3,2CY150/3,2CY150/3,KCB-300~960型泵采用骨架密封装置。
轴承采用单列向心球轴承。KCB-18.3~83.3型泵采用三个耐油橡胶圈和中间衬隔的一个挡圈组成,调节压紧盖上的两只螺母来调节密封的程度,轴承采用铜基粉末含油轴承。另外,本系列泵均可采用填料密封以弹性好,耐高温和低温、化学性质稳定且有自润滑性能的柔性石墨作为填料。
泵内装有安全阀,当泵或排出管道发生故障或误将排出阀门完全关闭而产生高压和高压冲击时安全阀就会自动打开,卸除部分或全部的高压液体回到低压腔,从而对泵及管道起到安全保护作用。
用弹性联轴器直接与驱动电机联接,并安装在公共铸铁底盘上。
特性 本型泵结构简单紧凑,使用和保养方便。
本系列泵具良好的自吸性,帮每次开泵前不须灌入液体。
本型泵的润滑是靠输送的液体而自动达到的,故日常工作时无须另加润滑液。
利用弹性联轴器传递动力可以补偿因安装时所引起的微小偏差。在泵工作中受到不可避免的液压冲击时,能起到改好的缓冲作用。
特性
1、 本型泵结构简单紧凑,使用和保养方便。
2、 本系列泵具有良好的自吸性,帮每次开泵前不须灌入液体。
3、 本型泵的润滑是靠输送的液体而自动达到的,故日常工作时无须另加润滑液。
4、 利用弹性联轴器传递动力可以补偿因安装时所引起的微小偏差。在泵工作中受到不可避免的液压冲击时,能起到改好饿缓冲作用。
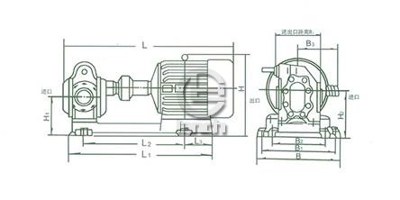
安装尺寸图


工作原理

本型泵在泵体中装有一对回转齿轮,一个主动,一个被动,依靠两齿轮的相互啮合,把泵内的整个工作腔分两个独立的部分。A为人吸腔,B为排出腔。泵运转时主动齿轮带动被动齿轮旋转,当齿化从啮合到脱开的在吸入侧(A)就形成局部真空,液体被及入。被吸入的液体充满齿轮的各个齿谷而带到排出侧(B),齿轮进入啮合时液体被挤出,形成高压液体并经泵的排出口排出泵外。
用途说明
1. 本泵适用于输送各种油类、如重油、柴油、润滑油、配用铜齿轮可输送内点低液,如气油、苯等,本单位还生产不锈钢齿轮泵可输送饮料和腐蚀性的液体。
2. 本泵不适用于含硬质颗粒或纤维的,适用粘度为5*10-5~1.5*103m2/s。温度不高为70°C,如需输送高温液体,请使用耐高温齿泵,可输送300°C以下液体。
主要性能规格参数
| 型号 | 吸入及排出管口径(寸) | 排出流量(L/min) | 排出压力(MPa) | 吸入高度(m) | 容积效率() | 配三相异步电动机 | ||
| 功率(KW) | 型号 | 转速(同步)(r/min) | ||||||
| KCB-18.3 (2CY-1.1/14.5-2) |
3/4? | 18.3 | 1.45 | 5 | ≥85 | 1.5 | Y90L1-4 | 1500 |
| KCB-33.3 (2CY-2/14.5-2) |
3/4? | 33.3 | 1.45 | 5 | ≥85 | .2 | Y100L2-4 | 1500 |
| KCB-55 (2CY-5/3.5-2) |
1? | 55 | 0.33 | 5 | ≥85 | 1.5 | Y90L1-4 | 1500 |
| KCB-83.8 (2CY-5/3.3-2) |
11/2? | 83.3 | 0.33 | 5 | ≥85 | 2.2 | Y100L2-4 | 1500 |
| KCB-200 (2CY-12/10-2) |
2? | 200 | 0.33 | 5 | ≥85 | 5.5 | Y132S-4 | 1500 |
| KCB-300 (2CY-18/6-2) |
3? | 300 | 0.33 | 5 | ≥85 | 5.5 | Y132M2-6 | 960? 1000 |
| KCB-483.3 (2CY-29/3.6-2) |
3? | 483.3 | 0.33 | 5 | ≥85 | 7.5 | Y132M-4 | 400 1500 |
| KCB-633 (2CY-29/3.6-2) |
4? | 633 | 0.28 | 5 | ≥85 | 11 | Y160L-4 | 960 1000 |
| KCB-960 (2CY-60/3-2) |
4? | 960 | 0.3 | 5 | ≥85 | 18.5 | Y180L-4 | 1500 |
| 2CY-100/3-2) | 6? | 1666.6 | 0.3 | 5 | ≥85 | 30 | Y250M-8 | 750 |
| 2CY-120/3-2) | 6? | 2000 | 0.3 | 5 | ≥85 | 30 | Y250M-8 | 750 |
| 2CY-150/7-2) | 6? | 2500 | 0.7 | 5 | ≥85 | 55 | Y315S-8 | 750 |
外形尺寸表
| 型号 | 电动机 | A | B | C | D | E | G" | F | |
| 型号 | 功率 | ||||||||
| KCB18.3-2 (2CY-1.1/14.5-2) |
Y-90L-4 | 1.5 | 583 | 300 | 230 | 130 | 79 | 3/4" | 335 |
| KCB33.3-2 (2CY-2/14.5-2) |
Y-100L1-4 | 2.2 | 618 | 325 | 325 | 140 | 79 | 3/4" | 365 |
| KCB55-2 (2CY-3.3/3.3-2) |
Y-90L-4 | 1.5 | 588 | 300 | 300 | 130 | 86.5 | 1" | 335 |
| KCB83.3-2 (2CY-5/3.3-2) |
Y-100L1-4 | 2.2 | 658 | 325 | 325 | 140 | 99 | 11/2" | 365 |
KCB200,KCB300,KCB483.3,KCB633,KCB960,2CY100/3,2CY120/3,2CY150/3型泵的外形见图
安装尺寸图

| 型号 | L | L1 | L2 | L3 | H | H1 | p | B | B1 | B2 | B3 | B4 |
| KCB-300 (2CY-18/6-2) |
880 | 770 | 470 | 160 | 423 | 198 | 240 | 430 | 370 | 320 | 210 | 240 |
| KCB-483.8 (2CY-29/3.6-2) |
880 | 770 | 470 | 160 | 423 | 198 | 240 | 430 | 370 | 320 | 210 | 240 |
| KCB-200 (2CY-12/10-2) |
800 | 705 | 450 | 116 | 415 | 187 | 225 | 390 | 340 | 250 | 210 | 法兰:205 丝扣:295 |
| KCB-633 (2CY-60/3-2) |
1150 | 995 | 649 | 215 | 540 | 250 | 305 | 505 | 440 | 325 | 247 | 290 |
| KCB-960 (2CY-60/3-2) |
1460 | 1446 | 931.5 | 274.5 | 922 | 387 | 475 | 490 | 440 | 325 | 247 | 290 |
| 2CY100/3-2 | 1460 | 1446 | 931.5 | 274.5 | 922 | 387 | 475 | 490 | 440 | 370 | 406 | 398 |
| 2CY120/3-2 | 1460 | 1446 | 931.5 | 274.5 | 922 | 387 | 475 | 490 | 440 | 370 | 406 | 398 |
| 2CY150/3-2 | 1790 | 1614 | 1071 | 303 | 952 | 387 | 475 | 628 | 578 | 370 | 508 | 398 |
订购注意事项:
1.本网页显示的KCB、2CY型齿轮式输油泵图片、图纸、安装尺寸、重量、参数表等样本信息,为“LQ牌”油泵厂家上海连渠泵业所有,请勿转载,转载必究。
2.上海连渠泵业有限公司是一家专业的油泵生产厂家/制造商。生产的KCB、2CY型齿轮式输油泵,质量可靠,价格合理,如果还需要了解其他(油泵),请来电咨询,我们也可根据客户要求专门定制。
3.由于编辑水平有限,以上信息仅作参考之用,错误和不妥之处在所难免,真诚希望您批评指正。
油泵又是一种既轻便又紧凑的泵,主要有自吸式、离心式、齿轮式几种。上海连渠泵业生产供应的主要油泵产品有AY型单级、两级离心油泵、CYZ-A型自吸式离心油泵、防爆电动油泵、KCB、2CY型齿轮式输油泵、LQRY型无水冷却热油泵、RY型风冷式热油泵、ZA、ZAO型石油化工流程泵 、WCB-S微型齿轮式输油泵、YG型防爆管道油泵等系列油泵。上海连渠的主要油泵产品广泛应用于石油、化工、炼油等行业企业,质量稳定,价格优惠。各种油泵的技术与咨询可直接联系我公司销售人员或油泵专业工程师。