X-100B型旋片式机械真空泵(简称:X-100B旋片真空泵)为旋片式机械真空泵,是抽除一般性气体或含有少量可凝性蒸汽的气体(应使用气镇装置)的真空抽气之一。 本型泵适用于真空干燥、真空浸渍、医疗、化工、玻璃树脂以及其它真空作业。它可单独使用,也可作为增压泵、扩散泵的前级泵使用,但不适用于自一容器抽至另一容器作输送泵用。当抽除含氧过高的、有爆炸性的、对黑色金属有腐蚀性的、对真空油起化学反应的有水的、有灰埃的等等气体时,应加附设装置。

X-100B旋片真空泵特点
1、X型泵是用来对密封容器抽除气体获得真空的基本设备之一。可单独使用,也可作为增压泵、扩散泵、分子泵等的前级泵。可用于真空冶炼、真空焊接、真空浸渍、镀膜、真空浇铸、真空干燥以及化工制药,电真空器件等工业的真空作业。
2、泵可在环境温度5~40℃范围内和进口压强小于1330pa的条件下,允许长期连续工作。
3、泵不适用于抽除含氧过高、有毒的、有爆炸性的、对金属有腐蚀作用的、对泵油起化学反应的,以及含有颗粒尘埃的气体,也不适用于把气体从一个容器输送到另一个容器,作输送泵用。
4、泵在6000Pa的大气压的进口压强下的连续工作时间不得超过3分钟,以免喷油或润滑不良引起泵损坏。
X-100B旋片真空泵型号意义

X-100B旋片真空泵性能参数表
| 几何抽速(L/S) | 100 | |
| 极限压力(Pa) | 1.33 | |
| 泵转速(r/min) | 450 | |
| 配带电机 | 功率(KW) | 7.5 |
| 型号 | Y160M-6 | |
| 冷却水消耗量(L/S) | 350 | |
| 润滑油 | 牌号 | 1#真空泵油 |
| 储存量(kg) | 15 | |
| 口径 | 进气(mm) | 100 |
| 排气(mm) | 110 | |
| 体积(长×宽×高) | 1350×830×1070 | |
| 重量(Kg) | 510 | |
注:泵的极限压力系指压缩式真空计测得的肥可凝性气体极限压力。 抽气速率与进口压力曲线
X-100B旋片真空泵工作原理
泵主要由泵体(7)、转子(9)和旋片(8)等零件所组成(见原理示意图)。在泵体腔内偏心地装着转子,转子槽中装两块旋片,由于弹簧弹力作用及转子旋转所产生的离心力旋片紧巾腔壁,泵体中的进、排气只被转子和旋片分隔成两个部分,转子在腔内旋转,周期性地将进气口部分容积逐渐扩大而吸入气体,同时逐渐压缩排气部分容积,将吸入气体压缩从排气阀(5)排出,因而达到抽气目的。 结构图

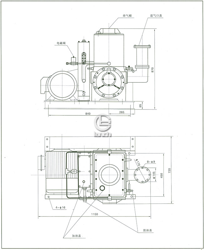
X-100B旋片真空泵外型安装尺寸图

主要技术参数:
| 型号 Model |
极限压力 Ultimate Pressure |
抽气速率 (L/S) Pumping Speed |
进气口径 (mm) Inlet Diam |
配用功率 (kw) Motor Power |
|
| Pa | Torr | ||||
| X-100B | 1.3 | 1×10-2 | 100 | 100 | 7.5 |
订购注意事项:
1.本网页显示的X-100B型旋片式机械真空泵安装尺寸、图片、真空度、最大排气量参数表等样本信息,为“LQ牌”真空泵厂家上海连渠泵业所有,请勿转载,转载必究。
2.上海连渠泵业有限公司是一家专业的真空泵生产厂家/制造商。生产的X-100B型旋片式机械真空泵,质量可靠,价格合理,如果还需要了解其他(真空泵),请来电咨询,我们也可根据客户要求专门定制。
3.由于编辑水平有限,以上信息仅作参考之用,错误和不妥之处在所难免,真诚希望您批评指正。
真空泵主要用于制造产生真空,产品可单独使用,也可作为增压泵、扩散泵、分子泵的前级泵、维持泵、钛泵的预抽真空泵用。可用于电真空容器制造、真空焊接、印 刷、吸塑、制冷设备维修及仪器仪表设备配套和实验室等。上海连渠泵业生产的真空泵主要产品有2X型双级旋片式真空泵、SK系列水环式真空泵、水力喷射器水冲真空泵、SZB型水环悬臂式真 空泵、XD型单级旋片式真空泵、X-100B型旋片式机械真空泵、H-150型滑阀式真空泵等各种真空泵产品。询价或技术咨询各类真空泵请直接联系我公司真空泵销售或工程师。